3x6 Штифт пружинный со шлицем DIN 1481 в Волгограде
Назад в каталог
Купить в один клик
На складе
Марка стали:
в рамках стандарта
Сертификаты:
3861 / 3862 / 3863 / 3864 / 3865 / 3866 / 3867 / 3868
Характеристики:

Материалы:
- Сталь пружинная
- Сталь с покрытием: оксидирование
- Нержавеющая сталь: А2, А4.
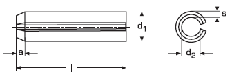
Размеры разрезных пружинных цилиндрических штифтов DIN 1481 (нержавеющая сталь А2) в мм
* - перед монтажом

Материалы:
- Сталь пружинная
- Сталь с покрытием: оксидирование
- Нержавеющая сталь: А2, А4.
Размеры разрезных пружинных цилиндрических штифтов DIN 1481 (нержавеющая сталь А2) в мм
| a мин.* | 0.15 | 0.25 | 0.35 | 0.4 | 0.5 | 0.6 | 0.65 | 0.8 | 0.9 | 1.2 | 2 | 2 | 2 |
| d1 мин.* | 1.2 | 1.7 | 2.3 | 2.8 | 3.3 | 3.8 | 4.4 | 4.9 | 5.4 | 6.4 | 8.5 | 10.5 | 12.5 |
| d2* | 0.8 | 1.1 | 1.5 | 1.8 | 2.1 | 2.3 | 2.8 | 2.9 | 3.4 | 4 | 5.5 | 6.5 | 7.5 |
| s | 0.2 | 0.3 | 0.4 | 0.5 | 0.6 | 0.75 | 0.8 | 1 | 1 | 1.2 | 1.5 | 2 | 2.5 |
| l | d1 | ||||||||||||
| 1 | 1.5 | 2 | 2.5 | 3 | 3.5 | 4 | 4.5 | 5 | 6 | 8 | 10 | 12 | |
| 4 | + | + | + | + | + | + | + | ||||||
| 5 | + | + | + | + | + | + | + | ||||||
| 6 | + | + | + | + | + | + | + | + | + | ||||
| 8 | + | + | + | + | + | + | + | + | + | ||||
| 10 | + | + | + | + | + | + | + | + | + | + | |||
| 12 | + | + | + | + | + | + | + | + | + | + | + | ||
| 14 | + | + | + | + | + | + | + | + | + | + | + | ||
| 16 | + | + | + | + | + | + | + | + | + | + | + | + | |
| 18 | + | + | + | + | + | + | + | + | + | + | + | ||
| 20 | + | + | + | + | + | + | + | + | + | + | + | + | |
| 22 | + | + | + | + | + | + | + | + | + | ||||
| 24 | + | + | + | + | + | + | + | + | + | ||||
| 26 | + | + | + | + | + | + | + | + | + | + | |||
| 28 | + | + | + | + | + | + | + | + | + | ||||
| 30 | + | + | + | + | + | + | + | + | + | + | |||
| 32 | + | + | + | + | + | + | + | + | |||||
| 35 | + | + | |||||||||||
| 36 | + | + | + | + | + | + | + | ||||||
| 40 | + | + | + | + | + | + | + | + | + | ||||
| 45 | + | + | + | + | + | + | |||||||
| 50 | + | + | + | + | + | + | + | ||||||
| 55 | + | + | + | + | |||||||||
| 60 | + | + | + | + | + | ||||||||
| 65 | + | + | + | + | |||||||||
| 70 | + | + | + | + | + | ||||||||
| 75 | + | + | + | + | |||||||||
| 80 | + | + | + | + | |||||||||
| 90 | + | + | |||||||||||
| 100 | + | ||||||||||||
| 1 | 1.5 | 2 | 2.5 | 3 | 3.5 | 4 | 4.5 | 5 | 6 | 8 | 10 | 12 | |
Доставка:
Доставка производится в течении 1-2 дней после подтверждения оплаты. Время доставки предварительно согласуется по телефону.
СТОИМОСТЬ ДОСТАВКИ:
- При заказе товара на сумму до 40 000 руб. весом до 700 кг – стоимость доставки в пределах МКАД 1000 руб.
- При заказе товаров на сумму от 40 000 руб. весом до 1 т бесплатная.
- Стоимость доставки груза свыше 1 т необходимо уточнить у менеджера.
Доставка в регионы России
Мы БЕСПЛАТНО подвозим заказы до транспортных компаний “Деловые линии”, “Регион Групп”, “ПЭК” и “СДЭК”
Доставка товаров по Москве и России:
Доставка по Москве и МОДоставка производится в течении 1-2 дней после подтверждения оплаты. Время доставки предварительно согласуется по телефону.
СТОИМОСТЬ ДОСТАВКИ:
- При заказе товара на сумму до 40 000 руб. весом до 700 кг – стоимость доставки в пределах МКАД 1000 руб.
- При заказе товаров на сумму от 40 000 руб. весом до 1 т бесплатная.
- Стоимость доставки груза свыше 1 т необходимо уточнить у менеджера.
Доставка в регионы России
Мы БЕСПЛАТНО подвозим заказы до транспортных компаний “Деловые линии”, “Регион Групп”, “ПЭК” и “СДЭК”
Заказ будет оформлен кратно упаковкам. Минимальная сумма общего заказа 5000 рублей
3x6 Штифт пружинный со шлицем DIN 1481 от Юниформ Металл: надежность и качество
Компания Юниформ Металл с 2012 года предлагает широкий ассортимент высокопрочного крепежа, метизов из нержавеющей стали, полиамида и латуни, а также крепеж из обычной стали. В нашем каталоге более 300 видов продукции, соответствующей стандартам ГОСТ и DIN. 3x6 Штифт пружинный со шлицем DIN 1481 изготавливается из высококачественных материалов, что обеспечивает долговечность и надежность в эксплуатации.
Почему выбирают Юниформ Металл?
- Высокое качество продукции
- Удобный сервис и своевременная доставка
- Конкурентные цены
3x6 Штифт пружинный со шлицем DIN 1481 можно заказать с доставкой по Москве и России. Обращайтесь к нам для получения консультаций и выгодных предложений.
Товары из этой категории
Просмотренные товары
Стоимость доставки
Размерные характеристики
Таблица расчета веса
Подождите...